比例伺服閥七芯航空插頭如何接線?
7芯航空插頭接線盒連接器如何接線?經常有用戶現場比例閥插頭損壞,或是新項目投入時,比例閥7芯插頭不會接線,或者是接錯線導致比例伺服閥無法正常工作,甚至損壞比例閥放大器和PLC模塊等情況發生,因此對常規標準比例閥航空插頭接線整理了一下,簡單介紹如下:




▲各類航空插頭實物圖片

▲7芯半金屬插頭實樣
七芯航空插頭接線具體步驟:
根據對應的管腳定義焊接(設備圖紙上一般會有針腳定義)

▲線纜尾部剝線加工端子,尾部加工示意圖1

▲線纜尾部剝線加工端子,尾部加工示意圖2

▲線纜尾部剝線加工端子,尾部加工示意圖3


▲線纜尾部剝線加工端子,尾部加工示意圖4
![1679476044134293.png C3NDS$KKL]57)C13(]IH4_Q.png](http://www.hut66.com/upload/1679476044134293.png)
標準比例閥接線電纜線色分別是 白,棕,綠,黃,灰,粉,藍,屏蔽(縮好熱縮套管)
1,首先把陽極和陰極連接起來:首先在電控柜里找出對應比例閥A、B、C、D四根必須要接的線的陽極和陰極連接起來(或測試設備時通電檢測電壓或信號值)。

▲電控柜,找出對應比例閥電壓信號線纜

▲現場主機設備閥門插頭連接處示意圖
2,然后使用萬用表測量陰陽兩極的焊接腳:開啟設備通電在比例閥插頭端測A、B電源電壓,比例閥插頭端用萬能表測A、B電壓值的變化是否對上24V電壓,如果電壓對上;再開啟設備操作平臺給信號0-10V信號值,先比例閥插頭端萬能表測0-10V的信號值是否對上。
例如最常見的電壓控制接線,接管腳定義針腳A、B、C、D,對應
A接正24V
B接負24V
D接正0-10V
E接負0-10V

▲萬能表測電壓信號值
3,再重新編號插頭端,使用電烙鐵把每根線對應焊接完成即可(比例閥插頭端每根線纜需要焊接到比例閥7芯航空插頭觸角上),A、B電壓2根線對上連接好,D、E信號2根線對上連接好,才算接線成功,才能連接比例閥調試流量進行工作。

▲常用比例閥7芯插頭連接處尺寸圖及使用工具

▲常用外置放大器比例閥7芯插頭接線電路圖


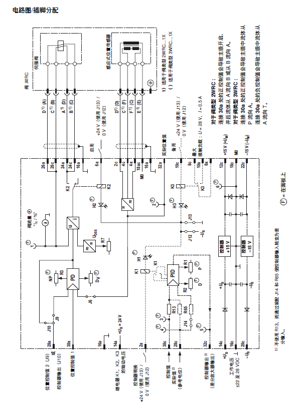
▲比例閥7芯插頭接線針腳描述及電路框圖

▲7芯線+屏蔽 針腳對應描述

▲比例閥7芯插頭接好電纜后的實物圖

▲比例閥7芯插頭接好電纜安裝至比例閥上示意圖
***注意***電源信號線一定不可接錯,務必嚴格按對應比例閥管腳定義焊接接線,否則可能導致比例閥放大器損壞或電控柜內PLC模塊損壞,造成不可估計的損失。

